Filtr próżniowy FCL1




Filtr próżniowy FCL1
- Magazyn: 5
- Model: FCL1
- Waga: 0.25
- Wymiary opakowania: 20.00 x 15.00 x 10.00
Sprzedany: 0
Przeglądane: 3855
- Model: FCL1
- Zakres ciśnienia roboczego : od 0,5 do 5000 mbar bezwzględnych
- Typ: usuwanie kurzu
- Wydajność: 125 l/m, 7,5m 3 /h
- Stopień filtracji: 7 µm
- Port, śruba: G1/4F
- Typ elementu: Papier
54.60€
Podatek ex: 45.12€
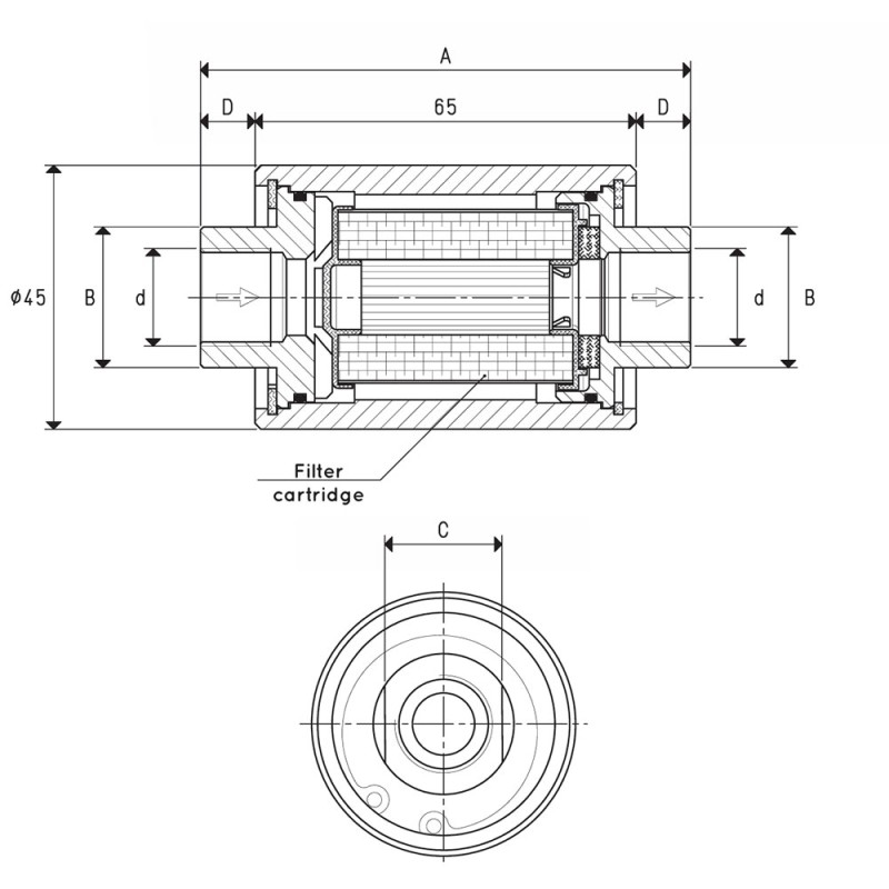
d | A | B | C | D |
G1/4" | 79.2 | 20 | 17 | 7.1 |
- Filtr próżniowy jest przeznaczony do obsługi pomp próżniowych w bardzo zapylonych środowiskach. Zainstalowana na wlocie ssącym pompy pompa jest w stanie zatrzymać drobny niematerialny pył.
- Wkład filtrujący wykonany jest ze specjalnie obrobionego papieru falistego (w celu zwiększenia jego powierzchni) o stopniu filtracji 5-7 mikronów, korpus wkładu wykonany jest z blachy stalowej z podwójną perforacją.
- Obudowa i pokrywa filtra próżniowego wykonane są z blachy stalowej i pokryte specjalną farbą antykorozyjną.
- Uszczelka umieszczona pomiędzy pokrywą a korpusem gwarantuje idealną próżnię pomiędzy dwoma elementami. Zaciski na korpusie pozwalają szybko otworzyć pokrywę w celu sprawdzenia lub wymiany wkładu filtrującego.
- Ze względu na papierowy wkład filtracyjny, ten filtr próżniowy nie jest zalecany do stosowania w obecności oparów wody lub oleju lub kondensacji.
Dane techniczne | |
Pojemność | 125 l/m |
Zakres ciśnień roboczych | -100 do 0 kPa |
Typ | Usuwanie kurzu |
Stopień filtracji | 7 µm |
Port, śruba | G1/4F |